产品中心

恒尔暖自控中心安装说明及热水系统设计方案
2021/10/9 10:35:28 浏览次数:22813

恒尔暖自控中心

安装说明及热水系统设计方案

一、自控中心配增压泵

适用于非承压式太阳能和燃气热水器配合供热水,太阳能与燃气热水器之间高度差小,或想洗浴时水流有冲击力。

增压泵安装在太阳能热水器出水管与自控中心连接处,另外预留三孔10A插座独立供电,不与自控中心控制器连接,可以隐藏安装与橱柜下。

建议选购:德国银屋暖通国际生产inwarm品牌屏蔽式黄铜全自助增压循环泵。特点:将增压泵调在自动档上,一开水龙头用热水,增压循环泵就自动开启增压,水龙头一停,增压循环泵也自动停止工作;超静音运行,几乎听不到声音,用手摸才能感觉在工作,没有噪声污染;最大10米扬程,不仅轻松启动燃气热水器,洗浴有较大冲击力,洗浴更舒适,就是3层别墅,燃气热水器安装在1楼,在3楼用热水,洗浴也没有问题。

 

(图1inwarm黄铜屏蔽式全自动增压循环泵)

二、自控中心配热水循环泵做成热水循环系统

适用于承压式太阳能(或空气能)和燃气热水器配合供热水,并做热水循环系统;如果是非承压式太阳能水箱有一进一出2个水口,也可以和燃气热水器配合做热水循环系统。

如果配置的循环泵是德国银屋暖通国际生产的inwarm品牌黄铜屏蔽式全自动增压循环泵,将档位拨到手动档即可

自控中心的安装说明:

自控中心直接安装在燃气热水器(或燃气壁挂炉)边上或下面,只需预留自控中心安装的空间即可,如果下面的水管是预埋墙内,请参考下面图示。两根水管的我中心距为105mm,距离燃气热水器下沿的高度不少于300mm.

 

(图2、自控中心+燃气热水器安装预埋管道图)

 

循环泵安装的理想位置为:

热水循环系统距离自控中心最远端,即最后一个用水点到太阳能热水器水箱的入水口之间。

 

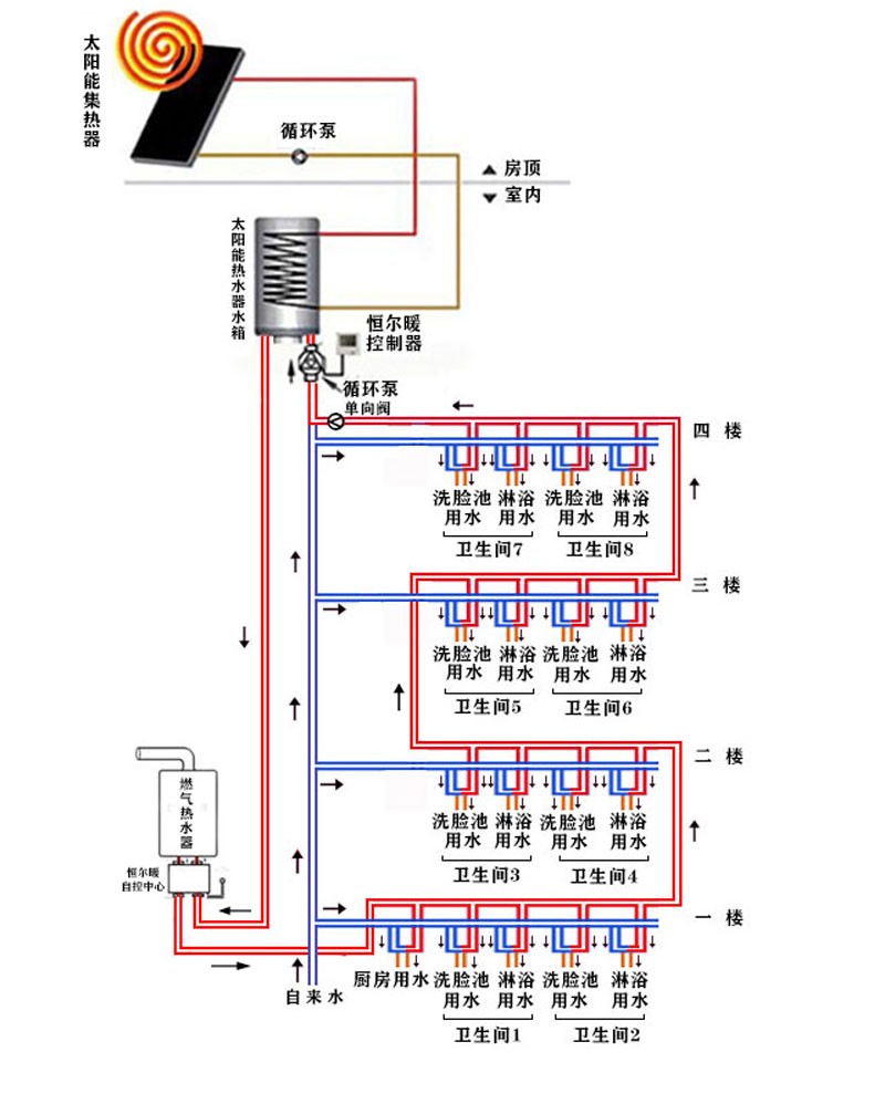
(图3、太阳能+燃气热水器+自控中心+循环泵+循环泵控制器热水循环系统图)

循环泵的控制:

循环泵建议带定时定温功能智能控制功能的,否则要手动开关机,如果忘记关机了,会每天24小时不停的循环,不仅浪费电,而且不用热水的时间段热水始终流动,热量损失很大,十分浪费能源;建议配置恒尔暖循环泵周编程智能控制器套件。

 

(图4、恒尔暖周编程智能开关机控制器套件)

循环泵配置恒尔暖周编程智能控制器套件的好处:

1、循环泵具有和自控中心一样的5+2周编程智能定时开关机和水温控制的功能,节能方便;

2、可以将循环泵每天每个开机时间点设置比自控中心早15分钟,这样,只要太阳能的出水温度大于自控中心的设定温度,自控中心和燃气热水器都不会开启,减少燃气热水器的开停次数,也节省燃气费。

3、确保每个用水点即开即有热水,无需等待,也不会浪费冷水

三、自控中心下预留管道说明

预留的管道中心距尽量准确为105mm,详见图2PPR管道出墙长度不少于10cm,以便后期利用PPR外丝弯头与自控中心直接连接。

家里的热水管建议采用Ø25PPR铝塑复合管,外面套上保温套管,防止热量散发。后期与自控中心对接用25*3/4PPR外丝弯头直接对接。

 

(5、燃气热水器下预留自控中心管道图)

四、太阳能水箱与热水系统管道的连接

 

(图6、承压式太阳能水箱下管口预留图)

 

水箱下预留三根管道,依次为:太阳能出水管道、热水回水管道和自来水管道,建议太阳能出水管和回水管采用PPR铝塑复合管,三根管道预留出墙长度不少于15cm长为宜,不要预留内丝,以便后期利用PPR外丝弯头+不锈钢波纹管与水箱连接。

如果水箱只有一进一出2个水口,安装时利用三通将回水管和自来水管合并一起与水箱入水口相连,一定要在三通和回水管之间安装一只单向阀,确保水流方向从回水管向水箱方向,避免自来水流入回水管内。

如果循环泵安装水箱下方,建议安装在三通和水箱回水口(入水口)之间,边上墙面预留暗装86盒(不要预留在水箱下方),86盒内预留市政零线、火线和接地线,以便后期安装恒尔暖循环泵周编程控制器;从86盒到到循环泵安装位置,墙内预埋12PVC电工套管,以便后期循环泵电源线从套管内通过与控制器连接

五、安装自控中心的热水系统设计

(一)、不做热水循环系统的水路设计

太阳能出水管直接通到自控中心右下水口,中间不要有用水点,自控中心左下水口与家里热水管道相连,自控中心右上水口与燃气热水器冷水入口相连,自控中心左上水口与燃气热水器热水出口相连。

 

 

(7、非承压式太阳能+燃气热水器+恒尔暖自控中心水路设计图)

 

 

(图8、承压式太阳能+燃气热水器+恒尔暖自控中心水路设计图)

(二)、做热水循环系统的水路设计

做热水循环系统的必备条件

1、热水管道必须做成一个闭环回路;

2、太阳能热水器为承压式太阳能热水器;如果是非承压式太阳能热水器,建议安装一个缓冲储能水箱作为循环水箱。

 

(图9、承压式太阳能水箱)

热水循环系统的设计

1、承压式太阳能+燃气热水器+恒尔暖自控中心热水循环系统设计

从太阳能水箱出来的热水管道,直接到燃气热水器下方与自控中心右下水口连接,中间不要有用水点自控中心左下水口与家里的热水管相连,热水管经过各个用水点之后,一定要再回到太阳能水箱。太阳能水箱如果有回水口的,就直接连接,没有回水口的,就用三通在水箱处与自来水接在一起,接入水箱入水口。

 

(图10、平层及复式房承压式太阳能+燃气热水器+自控中心+循环泵及控制器热水循环系统)

 

(图11、别墅承压式太阳能+燃气热水器+自控中心+循环泵及控制器热水循环系统)

 

 

2、非承压式太阳能+燃气热水器+恒尔暖自控中心热水循环系统设计


由于非承压式太阳能水箱只有一个水口,无法实现循环,为避免燃气热水器频繁启停,做零冷水系统时,必须在系统中加上缓冲水箱。

非承压式太阳能水箱的出水管(下水管),与缓冲保温水箱入水口连接,从缓冲水箱出水口接出管道,与自控中心右下水口连接,在这之前不要有用水点自控中心左下水口与家里热水主管相连,然后依次经过各个用水点,直到最后一个用水点,热水管继续向前,利用三通与太阳能的下水管相连,并在三通与最后一个用水点之间以及向太阳能水箱一边分别安装上单向阀,让水流向自控中心。

循环泵安装在三通和缓冲水箱的入水口之间。

不用热水时的热水循环,热水在循环泵-缓冲水箱-自控中心-燃气热水器(水温低于自控中心设置水温时才经过)-各个用水点-热水三通-循环泵之间循环;当打开水龙头用热水时,太阳能水箱的水才下来进入热水系统,先进入水箱,然后经过自控中心的检测,如果水温高于设定水温就直接流向用水点,如果低于设定水温,再经过燃气热水器二次加热,再流向各个用水点。

在该系统中,每次热水循环开启时间,循环泵要早自控中心几分钟,并且设定的水温必须满足以下条件:燃气热水器的水温(比如58°C)>循环泵的水温(比如43°C)>自控中心的水温(比如40°C),这样只要水管里的水温低于循环泵设置水温,循环泵就启动循环,由于这时还没有低于自控中心设定的水温,自控中心不会启动,只要水箱的水温高于自控中心设定的水温,自控中心就始终不会启动,水流就不会经过燃气热水器,燃气热水器就不会启动工作。

 

 

(图12、平层及复式房非承压式太阳能+燃气热水器+恒尔暖自控中心+水箱+循环泵及控制器热水循环系统)

 

(图13、别墅非承压式太阳能+燃气热水器+恒尔暖自控中心+水箱+循环泵及控制器热水循环系统)

 

在该系统首次使用时,自控中心先不开机,选择阳光十分好的某天,在太阳能水箱水温很高的时候,从距离水箱最远一个用水点放水,直到热水流出来,这样缓冲水箱就储存满了太阳能下来的热水了,就可以避免首次使用时水箱里的水用燃气热水器进行加热。

利用恒尔暖自控中心、非承压式太阳能、燃气热水器和和缓冲水箱做的该系统,既有效利用了太阳能热水的节能环保,又实现了即开即有热水的方便舒适,在太阳能水温不够时自动经过燃气热水器二次加热,又避免了太阳能水温不够时直接用燃气热水器加热自来水的浪费,是十分好的热水系统设计。


 


企业简介 产品系列 联系方式

企业简介

资质荣誉

企业文化

发展历程

踢脚暖

薄型墙暖

分水器

铝塑复合管

PE保温管

智控产品

水暖配件

联系我们

在线留言

免费服务热线:

4006365398

地址:安徽省合肥市政务区潜山南路188号蔚蓝商务港A座402

电话:+86-0551-63521967/63523967
E-mail:962925642@qq.com

微信服务号:tijiaonuan    个人微信:weicaodashu

QQ:962925642、1429859369

工信部备案号:皖ICP备14017669号    皖公网安备 34010402701461号



工信部备案号:皖ICP备14017669号-3


皖公网安备 34010402701461号