新闻资讯

别墅热水系统如何设计,用太阳能+燃气热水器+自控中心配合,先用太阳能,水温不够时再开启燃气热水器二次加热,即开即有热水无需等待
2021/11/13 10:21:39 浏览次数:8838

热水系统在别墅的装修中十分重要,因为热水系统是隐蔽工程,施工好以后,一旦装修好再想改变就很困难了。由于别墅有多层多卫生间,装修时热水系统的设计和施工必须注意以下几点:

首先,必须做热水循环系统,也就是有人所说的零冷水系统

这是非常重要的。如果没有热水循环系统,一些离热水器较远的水点在热水出来之前要排掉大量的冷水,而且要等很长时间,这不仅浪费了大量的冷水,而且非常不方便。如果将整个热水系统做成一个循环回路,并在系统中安装一个循环泵,以使热水始终保持在管道中,则打开水龙头时迅速就有热水,并且不会浪费冷水,无需等待。

第二,必须安装太阳能热水器,它们是太阳能热水器

全球变暖是人类面临的共同问题。减少二氧化碳和温室气体排放是地球上每个人的责任和义务。此外,中国还主动提出了“力争于2030年前二氧化碳排放达到峰值,努力争取2060年前实现碳中和”的目标。太阳能清洁能源的使用不仅节约了大量的电或燃气烧热水成本,不仅有助于节能减排,也体现了我们的个人素质。

承压型太阳能热水器也是热水循环系统的良好热水设备。它不仅可以加热水,而且太阳能水箱是热水循环必不可少的储能水箱。为了制作热水循环系统,热水箱必须有一个进水口和一个出水口。无压太阳能热水器一般只有一个水口,不能实现循环;为了实现热水管道设计中的零冷水功能,理想的方法是配置储能水箱。如果仅采用燃气热水器作为热源,实现热水循环,将导致燃气热水器频繁启停。一是会影响燃气热水器的使用寿命,二是会消耗大量的能源。

理想的热水循环系统是利用太阳能和燃气热水器配合互补供热水。

当阳光充足,太阳能水箱的水温能够满足沐浴需求时,就直接使用太阳能热水器的出水。当阴天或冬季太阳能热水器出水温度不能满足沐浴需求时,开启燃气热水器进行加热。这种配置不仅通过使用清洁能源达到节能减排的目的,而且在太阳能热水器不能使用时也不会影响使用热水。

因此还有另一个问题,如何在太阳能和燃气热水器之间切换?理想情况下,当太阳能热水器的出水温度能够满足沐浴要求时,它将直接进入供水点。当温度不够时,由燃气热水器再次加热,无需手动切换即可智能切换。这就需要合肥恒暖暖通设备有限公司发明的太阳能和燃气热水器配合供热水自控中心了,详见下文第四点。

第四,太阳能+燃气热水器+恒尔暖自控中心+热水循环泵+智能控制器是理想的热水循环设计方案

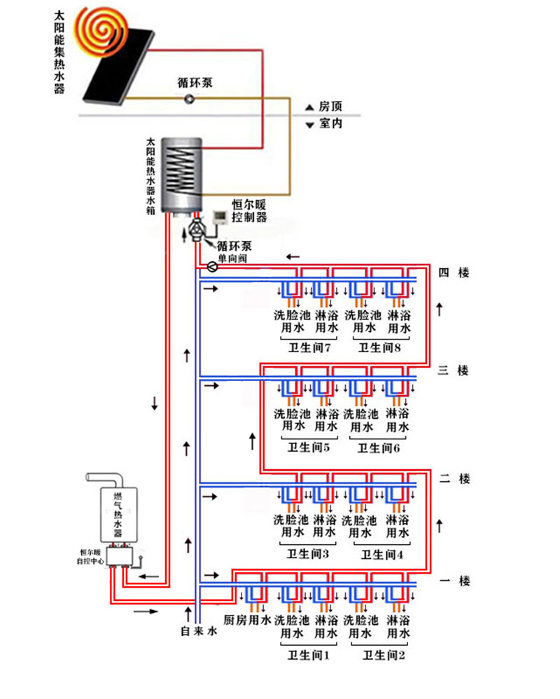
(别墅太阳能+燃气热水器+恒尔自控中心+循环泵+控制器热水循环系统图)

 

从上图可以看出,在这样一个热水循环系统中,太阳能热水器作为主热水器,太阳能水箱作为储能罐,燃气热水器作为辅助热水器,恒尔暖自控中心用于两种热水器的配合供热水的自动控制,循环泵提供热水循环的动力,循环泵智能控制器具有周编程、定时、恒温开关功能,从而实现分时段热水循环,在用水期间,当水温达到设定值时停止循环,既节能又方便。当太阳能热水器出水温度达到自控中心设定的水温时,直接进入各用水点,水不通过燃气热水器,燃气热水器不启动。当太阳能热水器出水温度达不到设定的水温时,自控中心打开流向燃气热水器的水流阀,太阳能的出水经燃气热水器再加热后,流向用水点,不仅方便,而且还可以在太阳能热水器出水温度的基础上加热,这样更省气、节能。此外,自动控制中心也具有周编程智能开关机功能,防止在不需要热水时水通过燃气热水器。在设定每次开启的时间点时,如果循环泵控制器比自控中心提前15分钟开启,只要太阳能水箱水温高于自控中心设定的水温,燃气热水器就不会开启,减少其开启和停止次数,延长其使用寿命。

在该设计方案中,燃气热水器下的自控中心右下口到太阳能熟悉出水口之间的管道不要有用水点。如果太阳能水箱只有两个进出口,没有回水口,热水循环管经过最后一个水点后,和自来水管一起通过三通与太阳能水箱的冷水进口连接,热水管和三通前安装止回阀,防止自来水流到热水管。

 

(太阳能水箱下连接管示意图)

 

第五,介绍热水循环系统设计的几个重要细节。

1,热水循环管道应尽可能通过各用水点下方。支管越短越好。建议仅墙上的管道为支管,以便每次打开热水时流出的冷水较少。如果支管太长,它会等待很长时间,流出更多的冷水。

2,热水主管一般采用Ф25ppr管,支管采用Ф20ppr管。如果考虑3个以上的供水点同时使用热水,主管应改为Ф32 PPR以上。

3,建议使用带铝的PPR管,即铝塑复合PPR管,与纯塑料PPR管相比,耐高温、不透氧、漏水风险更小。

4,建议在热水管外放置隔热套管。为避免高温产生异味,建议使用PE保温套管代替橡塑保温套管。

5,热水管道施工完成后,应进行压力试验,以避免未焊接好出现渗漏水现象的发生。

6,热水管道施工完毕后,将热水干管与自来水连接,依次打开各热水出口,检查出水量及是否有焊接堵塞。如果某个出水口的出水量明显小于其他出水口的出水量,则可能是由于某个焊接位置的焊接堵塞而导致内径减小。找出位置,切断接头并重新焊接。由于安装人员技术差、热熔温度过高或管道插入管件太深,可能导致管道焊接堵塞。几乎所有人都忽视了这一检查。必须进行此项验收,否则装修后发现出水量小就为时已晚。

7,太阳能水箱的容量根据家庭人口计算。可按每人每天30l-40l的用水量计算。如果有浴缸式的沐浴,可以适当增加。对于一个4-5口之家来说,150-200l的太阳能水箱就足够了。

8,为避免太阳能水箱出口温度过高而损坏热水系统管道,可在太阳能水箱出口处安装混水恒温阀。

9,建议在最后一个用水点与太阳能水箱进水口之间安装热水循环泵,以保证每个用水点的出口为热水;热水循环泵必须配备定时和温度控制器,以避免持续循环和能源浪费。

10,如果供暖系统同时安装在家中,热源为燃气壁挂式锅炉,则无需再购买燃气热水器,因为燃气壁挂式锅炉是供暖和热水两用的。

 

法格燃气壁挂式锅炉恒尔自控中心安装图)

上述别墅热水设计方案同样适用于复式房和多卫生间的平层。复式房间和平层的热水循环设计和施工较为简单。但是,当太阳能热水器安装在复式房间和平层房屋时,集热器一般不能安装在屋顶上,可以购买阳台壁挂式太阳能热水器。集热器安装在阳台外,水箱放置在阳台上,其他方面的设计和安装与上述类似。

(复式房太阳能+燃气热水器+恒尔暖自控中心+循环泵+控制器热水循环系统图)


以上是本人对家庭零冷水系统设计和施工经验的总结,欢迎大家留言共同讨论。欲了解更多热水和供暖知识,可以关注我。

(德国银屋暖通国际张伟原创文章,转载请注明出处。2021年11月10日星期三)


企业简介 产品系列 联系方式

企业简介

资质荣誉

企业文化

发展历程

踢脚暖

薄型墙暖

分水器

铝塑复合管

PE保温管

智控产品

水暖配件

联系我们

在线留言

免费服务热线:

4006365398

地址:安徽省合肥市政务区潜山南路188号蔚蓝商务港A座402

电话:+86-0551-63521967/63523967
E-mail:962925642@qq.com

微信服务号:tijiaonuan    个人微信:weicaodashu

QQ:962925642、1429859369

工信部备案号:皖ICP备14017669号    皖公网安备 34010402701461号



工信部备案号:皖ICP备14017669号-3


皖公网安备 34010402701461号